栖凤楼茶楼论坛永久地址51一品茶楼论坛 ,淡水蒲友网桑拿论坛,泻火楼论坛一品楼凤qm楼论坛,风楼阁全国信息app游戏介绍

上海越邦机电设备有限公司

中央空调解决方案工程商设备及工程5年质保 售后服务2小时响应

400-6969-298 199-0169-9929

越邦机电客服微信扫码加微信好友24小时在线客服

越邦机电新闻资讯

你对地暖安装了解多少?

作者: 编辑: 来源: 发布日期: 2020.10.18 浏览量:
信息摘要:
你对地暖安装了解多少?近期天气转凉,很多家庭用户开始咨询地暖安装安装事宜,那么今天借此机会,越邦机电小编好好跟大家说一下关于地暖安装的一些知…

你对地暖安装了解多少?近期天气转凉,很多家庭用户都在咨询地暖安装安装事宜,今天越邦机电小编借此机会,跟大家讲一些有关地暖安装的一些知识,如果您对该话题感兴趣,就跟着地暖安装方案领导者越邦机电一起往下文看吧!

地暖安装安装公司

地暖安装安装-地暖安装方案领导者

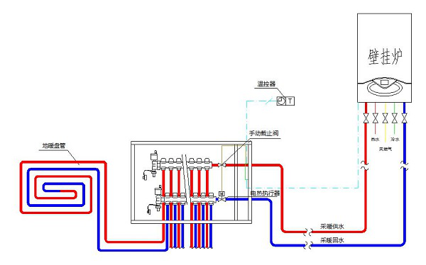
(1)主机控制:

原理:一个安装配备一个温控器,温控器通过对房间温度和设置的温度进行比较,在室内温度达到设置温度的时候,输出控制热源的就会停止工作。

地暖安装运行特点:因为一个安装只有一个温控器,所以安装只能设置一个温度,但是根据用户家中地面材质(可能有地砖和地板两种)的不同,其传热性就会有所差异(地砖导热快,地砖区域升温快)。温控器所安装的区域,一般是地砖区域(客餐厅)。当客餐厅温度达到设置温度的时候,安装采暖就会停止,这样就容易造成房间整体问题达不到设置的温度时,锅炉已经停止工作了,所以地暖安装采用主机控制的时候,温控器需要安装在客户常用的房间里,并且温度设定应高于需求温度。

地暖安装安装

适用户型:适合于小户型、房间数量不多、温度需求单一的用户。

(2)分区控制:

原理:温控器通过维护房间温度和设定温度比较,在室内温度达到设置温度的时候,输出控制电热执行器动作关闭阀体,控制水流变化,以达到控制室温的目的。

特点:分集水器为一个区域,每个区域都安装的有一个温控器,可以做到动静分区。

适用户型:适合大户型、动静分区、温度需求单一的用户。

地暖安装安装


(3)分路控制:

原理:温控器通过维护室内的温度和设置的温度进行比较,在温度达到设置温度之时,输出控制电流执行器动作关闭阀体,控制水流变化,以达到控制室温的效果。

特点:每个房间安装一个温控器,能单独控制每个房间的温度,满足不同房间的温度需求。

应用:适合多个房间、温度需求多样的用户。

地暖安装安装

关于地暖安装的基础知识,越邦机电小编就为大家讲解到这里,如果看到这里,您还有相关中央空调安装、中央空调节能改造、中央空气净化、中央空调维护保养、热水净水、新风排风、空气能等业务上的问题,可以咨询我们的在线客服,或者直接拨打我们的免费热线电话400-6969-298或199-0169-9929,我们将竭诚为您服务。


越邦机电您身边的商用中央空调系统服务商

    • *

【相关推荐】
越邦机电推荐资讯
商用中央空调安装不当,会出现哪些问题?

商用中央空调安装不当,会出现哪些问题?

如果中央空调在设计以及安装环节,出现问题的话,那需要在中央空调调试验收环节,注意以下几个问题,希望对您有所帮助!商用中央空调安装不当,会出现哪些问题?1、商用中央空调漏水问题如果在调试环节,发现商用中央空调出现漏水的情况,需要立马修复,这不是中央空调正常使用现象,而是中央空调安装不规范造成的,......
蓝光地产

蓝光地产

上上谦

上上谦

咨询热线

400-6969-298 199-0169-9929